您好,欢迎访问beat365正版唯一官网官方网站!
15725685099
数控加工中心编程
联系我们

beat365正版唯一官网

地址:山东省滕州市经济开发区海特西路518号

咨询热线15725685099

立式加工中心编程实例

发布时间:2015-05-15 10:08:11人气:
1、工艺分析
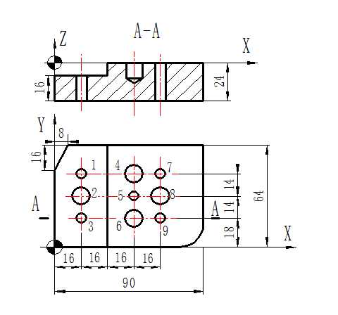
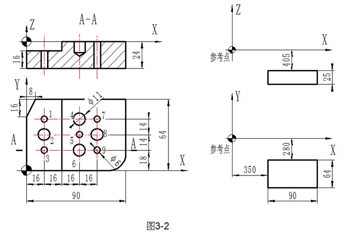
立式加工中心编程加工零件图
      本实例中零件图及毛坯位置图如图3-2所示,其中,#1、#2、#5、#6、#7、#8、孔深10mm,#3、#4、#9为通孔。由于零件较小,外形规则,采用平口钳装夹即可,选择以下四种刀具进行加工:1号刀为φ50mm端铣刀,用于铣上表面; 2号刀为φ20mm立铣刀,用于铣左台阶面; 3号刀为φ6mm钻头, 4号刀为φ11mm钻头,用于加工孔。通过测量刀具,设定补偿值用于刀具补偿。该零件工艺规程见表3-3,工件坐标系的建立,参考点及程序零点的确定如图3-2所示。
表3-3             零件工艺规程
工序 工序内容 刀具号 刀具规格 S(r/min) F(mm/min)
1 铣平面 T01 Φ50mm端铣刀 1500 150
2 铣左台阶孔 T02 Φ20mm立铣刀 1000 150
3 钻#3孔 T03 Φ6mm钻头 1000 100
4 钻#1孔 T03 Φ6mm钻头 1000 100
5 钻#9孔 T03 Φ6mm钻头 1000 100
6 钻#5孔 T03 Φ6mm钻头 1000 100
7 钻#7孔 T03 Φ6mm钻头 1000 100
8 钻#8孔 T04 Φ11mm钻头 700 100
9 钻#6孔 T04 Φ11mm钻头 700 100
10 钻#4孔 T04 Φ11mm钻头 700 100
11 钻#2孔 T04 Φ11mm钻头 700 100
 
立式加工中心编程实例 立式加工中心编程实例加工过程

加工程序
O0432
N10  G54
G28    Z10.
T01    M06
G43  G90  Z10.   H01
S500  M03
G00    X-30.   Y40.   M08
N20 G01    Z-1.     F150 
X80.
Y20.
X-30.
G49   Z5
G28    Z10.    M05 
T02    M06
G43    Z10.  H02
S1000    M03
G00    X9.  Y-12.  M08
N30   G01  Z-8.  F150
Y64.
X22.
Y-12.
G28   Z10. M05
T03   M06
G43  Z10. H03  M08
S1000    M03
N40  G00  X16. Y18. Z5. 
G99 G83 Z- 27.R2.Q5. F100
G98 Y46.Z-18.
G99 X64.Y18.Z-27.
X48.    Y32.    Z-10.
X64.    Y46.
G00    G80    X0    Y0
G28    Z15.    M05
T04    M06
G43    Z10.    H04    M08
S700    M03
G00    X64.    Y32.    Z5.
N50  G99 G83 Z-10. R2.Q5.F100       
X48.    Y18.
Y46.    Z-27.
G98   X16. Y32. Z-18.
G80   G28  Z50.
M05
M30

推荐资讯